OLine

Lossy Transmission Line

    OLine

Library

Modelica/Electrical/Analog/Lines

Description

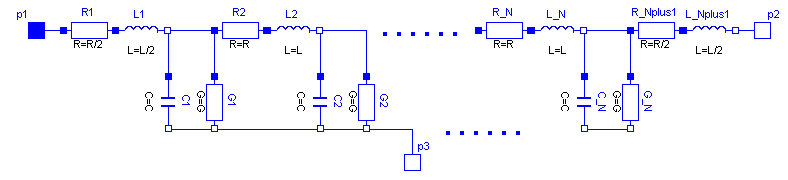
Like in the picture below, the lossy transmission line OLine is a single-conductor lossy transmission line which consists of segments of lumped resistors and inductors in series and conductor and capacitors that are connected with the reference pin p3. The precision of the model depends on the number N of lumped segments.

To get a symmetric line model, the first resistor and inductor are cut into two parts (R1 and R_Nplus1, L1 and L_Nplus1). These two new resistors and inductors have the half of the resistance respectively inductance the original resistor respectively inductor.

OLine.png

The capacitances are calculated with: C=c*length/N.
The conductances are calculated with: G=g*length/N.
The resistances are calculated with : R=r*length/(N+1).
The inductances are calculated with : L=l*length/(N+1).
For all capacitors, conductors, resistors and inductors the values of each segment are the same except of the first and last resistor and inductor, that only have the half of the above calculated value of the rest.

The user has the possibility to enable a conditional heatport. If so, the OLine can be connected to a thermal network. When the parameter alpha is set to an value greater than zero, the OLine becomes temperature sensitive

due to their resistors which resistances are calculated by R_actual = R*(1 + alpha*(heatPort.T - T_ref)) and conductors calculated by (G_actual = G/(1 + alpha*(T_heatPort - T_ref)).

Note, this is different to the lumped line model of SPICE.

References:
Johnson, B.; Quarles, T.; Newton, A. R.; Pederson, D. O.; Sangiovanni-Vincentelli, A.: SPICE3 Version 3e User's Manual (April 1, 1991). Department of Electrical Engineering and Computer Sciences, University of California, Berkley p. 12, p. 106 - 107

Parameters

OLine_0

NameLabelDescriptionData TypeValid Values

mo_r

r

Resistance per meter

Scalar

mo_l

l

Inductance per meter

Scalar

mo_g

g

Conductance per meter

Scalar

mo_c

c

Capacitance per meter

Scalar

mo_length

length

Length of line

Scalar

mo_N

N

Number of lumped segments

Scalar

mo_alpha_R

alpha_R

Temperature coefficient of resistance (R_actual = R*(1 + alpha*(T_heatPort - T_ref))

Scalar

mo_alpha_G

alpha_G

Temperature coefficient of conductance (G_actual = G/(1 + alpha*(T_heatPort - T_ref))

Scalar

mo_useHeatPort

useHeatPort

=true, if HeatPort is enabled

Number

0
1

mo_T

T

Fixed device temperature if useHeatPort = false

Scalar

mo_T_ref

T_ref

Scalar

mo_rm

rm

Vector

mo_lm

lm

Vector

OLine_1

NameLabelDescriptionData TypeValid Values

mo__nmodifiers

Number of Modifiers

Specifies the number of modifiers

Number

mo__modifiers

Modifiers

Add new modifier

Structure

mo__modifiers/varname

Variable name

Cell of strings

'v13'
'v23'
'i1'
'i2'

mo__modifiers/attribute

Attribute

Cell of strings

'start'
'fixed'

mo__modifiers/value

Value

Ports

NameTypeDescriptionIO TypeNumber

p1

implicit

input

1

p2

implicit

input

2

p3

implicit

input

3

Port 4

implicit

input

mo_useHeatPort

See Also