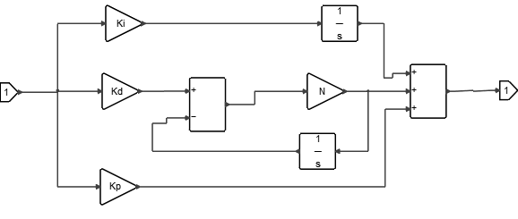
PID
Diagram Context