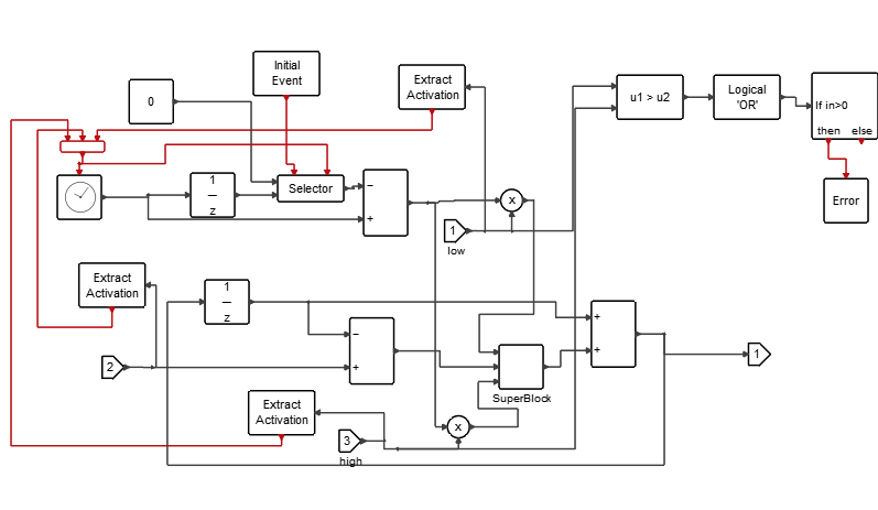
ControlledRateLimiter
This block implements a rate limiter where the minimum and maximum rates are set by the first and third inputs, respectively.
Library
Activate/Hybrid
Description
This block implements a rate limiter where the minimum and maximum rates are set by the first and third inputs respectively.
Ports
Name | Type | Description | IO Type | Number |
---|---|---|---|---|
low | explicit | input | 1 | |
Port 2 | explicit | input | 2 | |
Port 3 | explicit | output | 1 | |
high | explicit | input | 3 |
Advanced Properties
Name | Value | Description |
---|---|---|
always active | standard | |
direct-feedthrough | yes | |
zero-crossing | no | |
mode | no | |
continuous-time state | no | |
discrete-time state | no |