HBridge

H bridge (four quadrant converter)

    HBridge

Library

Modelica/Electrical/PowerConverters/DCDC

Description

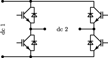
The H bridge is a four quadrant DC/DC converter. It consists of two single phase DC/AC converters which are controlled differently; see Fig. 1.

Fig. 1: H bridge

If the firing inputs fire_p and fire_n are inverse, the two legs are controlled symmetrically so that full positive or negative output voltage can be generated. See examplesDCDC.HBridge.

Parameters

HBridge_0

NameLabelDescriptionData TypeValid Values

mo_T_heatPort

T_heatPort

T_heatPort

Structure

mo_T_heatPort/fixed

fixed

Cell of scalars

true
false

mo_T_heatPort/start

start

Cell of scalars

mo_useHeatPort

useHeatPort

=true, if heatPort is enabled

Number

0
1

mo_T

T

Fixed device temperature if useHeatPort = false

Scalar

mo_RonTransistor

RonTransistor

Transistor closed resistance

Scalar

mo_GoffTransistor

GoffTransistor

Transistor opened conductance

Scalar

mo_VkneeTransistor

VkneeTransistor

Transistor threshold voltage

Scalar

mo_RonDiode

RonDiode

Diode closed resistance

Scalar

mo_GoffDiode

GoffDiode

Diode opened conductance

Scalar

mo_VkneeDiode

VkneeDiode

Diode threshold voltage

Scalar

mo_m

m

Number of phases

Scalar

HBridge_1

NameLabelDescriptionData TypeValid Values

mo_useConstantEnable

useConstantEnable

true = disabled boolean input, use constantEnable

Number

0
1

mo_constantEnable

constantEnable

Constant enabling of firing signals

Scalar

true
false

HBridge_2

NameLabelDescriptionData TypeValid Values

mo__nmodifiers

Number of Modifiers

Specifies the number of modifiers

Number

mo__modifiers

Modifiers

Add new modifier

Structure

mo__modifiers/varname

Variable name

Cell of strings

'vDC1'
'iDC1'
'powerDC1'
'vDC2'
'iDC2'
'powerDC2'
'LossPower'

mo__modifiers/attribute

Attribute

Cell of strings

'start'
'fixed'

mo__modifiers/value

Value

Ports

NameTypeDescriptionIO TypeNumber

dc_p1

implicit

Positive DC input

input

1

dc_n1

implicit

Negative DC input

output

1

dc_p2

implicit

Positive DC output

input

2

dc_n2

implicit

Negative DC output

output

2

fire_p

implicit

Firing signal of positive potential transistor

input

3

fire_n

implicit

Firing signal of negative potential transistor

input

4

Port 7

implicit

Conditional heat port

input

mo_useHeatPort

Port 8

implicit

Enables fire and notFire

input

1-mo_useConstantEnable