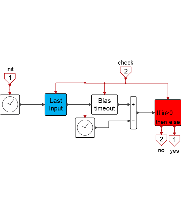
Timer2
Counter block with counting based on events
Library
StateMachine
Parameters
Name | Label | Description | Data Type | Valid Values |
---|---|---|---|---|
timeout | timeout | Scalar |
Ports
Name | Type | Description | IO Type | Number |
---|---|---|---|---|
yes | activation | The check activation is redirected to this output if the timeout period is over. | output | 1 |
no | activation | The check activation is redirected to this output if the timeout period is not over. | output | 2 |
init | activation | This event starts the timer (timeout period). | input | 1 |
check | activation | Check activation. | input | 2 |