The Characterization / Model / SSFR

Positioning and objective

The aim of the test “Characterization – Model – Motor – SSFR” dedicated to the wound field synchronous machine is to characterize all the parameters of the D-axis and Q-axis equivalent schemes by performing a frequency analysis.



“Characterization – Model – Motor – SSFR” – Characterization of all the equivalent scheme parameters

D-Axis and Q-Axis equivalent scheme data – 2nd order is considered in the example above.

These results are based on the magnitude and the phase of the operational inductance transfer function, which are computed with Finite Element software Flux® 2D.

The resulting reactances and time constants of the machines are also provided. Hence, such data can be used in system modeling tools like Altair® PSIMTM to evaluate the behavior of the machine with its drive and control system.



Reactances and time constants of the machine are computed
Note: This feature is available in a "Beta version" meaning that it is not entirely qualified, and that the user must be careful when analyzing the results.

Input and output data

User inputs

The main user input parameters are the order of the operational inductance transfer function to be considered for the D-Axis and the Q-Axis of the machine. 1st and 2nd order are considered depending not only on the presence or absence of dampers in the rotor pole shoes, but also on the accuracy of the results obtained with the 1st order model.

Then, the reference frequency and the reference impedance for the per-unit system computation are needed to compute the resulting machine reactances.

In addition, the temperatures of the stator and rotor windings and dampers must be set.

Main outputs and results

The main outputs are all the computed parameters of the equivalent scheme (First or second order).

The quality of results is also illustrated by the superimposition of the magnitude and phase of the operational inductance, which is computed either with Finite Element software Flux® 2D (Steady State AC application) or analytically by considering the resulting operational inductance.

  • Tables
    D-Axis and Q-Axis equivalent scheme parameters
    • Operational inductance Laplace function with the corresponding computed parameters
    • Wound field synchronous machine equivalent scheme, D-axis and Q-axis (first and second order) with its associated computed parameters
    • Reactances and time constants
  • Curves

    Magnitude of the operational inductance versus frequency – D-Axis and Q-Axis

    Phase of the operational inductance versus frequency – D-Axis and Q-Axis

Main principles of computation

Introduction

As said previously, the aim of the test “Characterization – Model – Motor – SSFR” is to identify all the parameters of the electrical equivalent scheme of a 3-Phase wound field synchronous machine by considering either a first order or a second order for the D-Axis and Q-Axis operational inductance transfer function L(p).

Model representation - Second order D-Axis and Q-Axis model



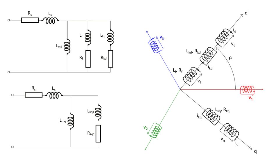
2nd order equivalent scheme of the wound field synchronous machine with dampers
Note:

On the previous graph,  represents the relative position between the first stator winding phase and the d-axis of the machine model.

All the components displayed in the picture correspond to the equivalent scheme parameters. For more information, please refer to the user help guides.

Model representation - Second order D-Axis and first order Q-Axis model



D-Axis 2nd order equivalent scheme and Q-Axis 1st order equivalent scheme

of the wound field synchronous machine with dampers

Short description

The rotor of the machine does not rotate. Two positions are considered for the rotor angular position, one to characterize the D-Axis parameters and another one to characterize the Q-Axis parameters.

By considering a 3-Phase wound field synchronous machine, the magnitude and a phase angle of the machine operational inductance L(p) is computed versus the frequency for the D-Axis and the Q-Axis.

As a result, the wound field synchronous machine is characterized on both D-Axis and Q-Axis by its frequency response which is the magnitude and phase angle of the operational inductance transfer function versus the frequency.

Then, an internal optimization process combined with theoretical analytical formulas allow to deduce all the D-Axis and Q-Axis equivalent scheme parameters from operational inductance transfer function coefficients.



Magnitude and a phase of the D-Axis and Q-Axis operational inductance L(p) vs frequency